-

150t wheat flour mill assembled steel frame platform
150 tons steel structure wheat flour mill equipment is designed for large-scale production environments to support and install equipment.The assembled steel frame platform of the 150-ton flour processing equipment structural design of the pla...
read moreOct-09-2024 -

250ton wheat flour mill
250ton Wheat Milling Plant Overview This series of 250ton wheat flour mill is designed as a several-floor building, which is divided into the raw grain section, the grain cleaning section, the flour processing section, and the finished...
read moreSep-26-2024 -

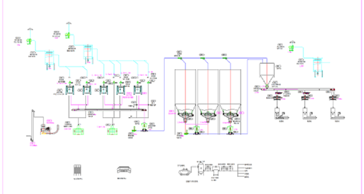
600t Flour Milling Machine in China
Flour Milling Plant Overview 600t flour milling plant is a building structure, It’s a Spectacular, beautiful, modern flour mill with fully automated control system, advanced craftsmanship and high quality equipment. ...
read moreSep-02-2024 -

50t Maize Meal Milling Plant
This 50t maize meal processing plant is built for one client in the year of 2016. The capacity of the maize milling plant is 40-60 tons per day. With the flour mill, grinding white maize into maizemeal for local food such as Nshima. It...
read moreSep-02-2024 -

30t Maize Milling Machine Story
The clients from Africa want to purchase a small scale maize milling machine. However, his investment budget was limited, and I still remember the first thing he asked “how much is maize milling“. With a limited ...
read moreSep-02-2024 -

100t Maize Milling Plant Machine
Maize Flour Mill Project Report This 100 tons per day maize milling plant purchased by a client to make maize meal. Besides, we also have many small scale maize meal mills in Africa. Based on the high quality and standards of the cu...
read moreSep-01-2024 -

25t Maize Flour Mills in Africa
This customer found us when he was confused about where to buy a maize grinding mill. As a flour mill machinery manufacturer, we can provide 50-500t corn milling machine solutions. (Related post: 50t maize milling machine) ...
read moreSep-01-2024 -

Rice flour production line
Features of Rice flour production Equipment A rice flour production line is used to produce rice flour. It consists of equipment and processes that clean, dehusk, mill, sieve, dry, and package rice to create a powdered product. This flour ...
read moreAug-28-2024 -

Powder Grinder Machine for Beans and Grains
Looking for a reliable solution to produce fine powder from dry grains and legumes? The Voson Powder Grinder Machine is purpose-built for turning ingredients like soybeans, red beans, mung beans, wheat, and corn into consistent, high-quality ...
read moreAug-27-2024 -

Laboratory Flour Mill
In any modern flour milling project, getting things right from the start is more than just a smart idea — it’s essential. Whether you’re planning a large-scale wheat flour plant or a specialized corn milling line, one of the most ...
read moreAug-25-2024 -

Vs45( A) Vertical Type Coarse Cereals Machine
Coarse Cereals Machine Application Vs45 vertical type coarse cereals machine is a new design for coarse cereal on the basis of a wide range of market research by our company technicians Compared with the origin...
read moreAug-23-2024 -

Pneumatic Conveying System
What is Pneumatic Conveying System Pneumatic conveying technology can perfectly achieve the automatic reception, automatic batching, and supply of raw materials, effectively solving the production problems of food processing enterprises. ...
read moreJul-24-2023
